,,,,,,,,

你的位置:UTE > USB > TYPE-C Series

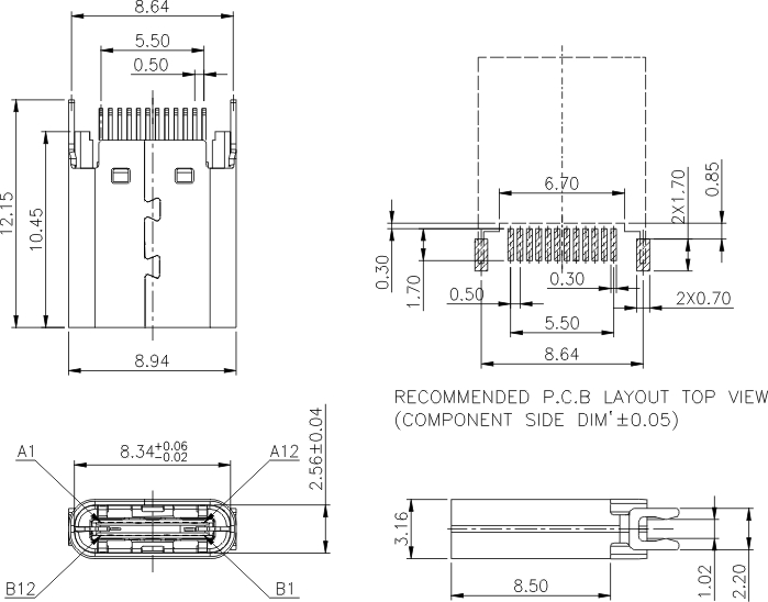
TYPE-C Female Splint 24P(H=10.45)

Current Rating : 

Insulation Resistance : 

Dielectric Withstanding : 

Contact Resistance :

Mating Force : 

Unmating Force: 

Durability : 

3.0 Ampere

100 MΩ Min

100 V

40 mΩ Max

5~20N

8~20N

10000 Cycles 


獲得專屬連接器解決方案

只需一個電話即可與我們的專家團隊溝通

86-755-2979 2280

產品詳情

9.jpg

我們的專家團隊可以為您免費提供專屬連接器解決方案

只需一個電話即可與我們的專家團隊溝通,86-755-2979 2280

UTE Group is established in Dec .of 2005 and professional on connectors R&D ,manufacturing and sales.

Copyright @ 2018 深圳市優特電子有限公司 版權所有 粵ICP備14063471號